手机:13827297626
电话:13827297626
邮箱:435281082@qq.com
地址:广东省东莞市樟木头镇圩镇荔苑路7号星耀国际
发布时间:2020-05-08 点此:2527次
因为疫情的原因,现在市面上有很多便携式消毒杀菌神器是很火的,下面以这款随身紫外线消毒棒讲解,同时颖鑫电子提供这款紫外线消毒棒上4.5*4.5轻触开关解决方案:

这款产品有99.9%杀菌率,使用进口灯珠,小巧便携,长效续航。多用于口罩的消毒以及各种日常接触用品的消毒,UVC深紫外线10秒杀菌率达99.9%;
特别注意:长时间接触紫外线会损伤人的皮肤和眼睛,消毒时应该避免直视紫外线灯,不可以用紫外线灯照射人体或者其他动物。
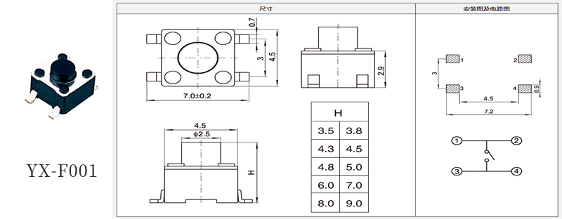
下面我们大致拆下消毒棒里面的结构,由下图可以知道,消毒棒使用的开关是4.5*4.5的贴片轻触开关,这款开关有插脚和贴片两种,柄的高度可以根据产品定制,按压力度也是可以选择。


如果需要这款消毒棒的4.5*4.5轻触开关更多解决方案或者产品规格书,可以直接联系客服。
上一篇:血氧仪中轻触开关的解决方案
下一篇:轻触开关品牌的重要性
相关推荐