手机:13827297626
电话:13827297626
邮箱:435281082@qq.com
地址:广东省东莞市樟木头镇圩镇荔苑路7号星耀国际
发布时间:2020-03-24 点此:3096次
厂家对防水轻触开关的应用方法
1、 这种防水轻触开关运用的领域是非常广泛的,一般电器都是要开关的 ,我们平时能够接触到的有微波炉,电饭煲,电风扇,洗衣机等等,这些都是我们家用电器必须的零件,虽然这种电器不会接触倒水,但是有的条件下是比较潮湿的,为了防止湿度比较大,采用这种电源开关很有效的增加了电器的使用寿命。
2、 还有孩子经常玩的一些玩具也是会用到的。比如在水里玩的一些上电池的玩具都是要经过防水处理的,上面非常小的开关也是这种防水轻触开关。
3、 在医疗接这种开关也是经常会用到的。垫子血压计,还有医院的一些呼叫系统都是会用到的、还有很多方面都会用到这种开关。
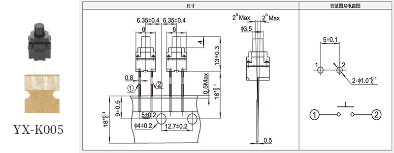
插脚防水轻触开关尺寸规格图:

硅胶垫防水轻触开关的注意事项
1、硅胶垫防水轻触开关以直流的电阻负载为条件而设计制造的。运用其它负荷时,应另行供认。
2、如果硅胶垫防水轻触开关整机周围的材料发出腐蚀性气体,那就可能导致构成接触不良等景象,所以应在此前做好供认。
3、不要用于机械性的查看功用。
4、对于硅胶垫防水轻触开关焊接的条件设定,应提供实习批量生产条件。
5、 给开关端子进行焊接时,假设在端子上施加负荷,由于条件不一样一般都会有松动、变形及电特性劣化的现象。
6、应避免硅胶垫防水轻触开关从旁边面按操作的用法。
7、对密闭型以外的地方,需要防火。
8、对于平轴杆型,尽量按下开关中心部位。对铰链结构,按下时轴杆按动方位将移动,请特别注意。
9、用硅胶垫防水轻触开关通孔打印电路板及举荐电路板时,热应力的影响会发生变化,所以请事前将焊接条件进行供认。
10、 开关进行2次焊接时,应等***次焊接回到常温后方可进行。接着加热会使外围变形、端子松动、坠落及电特性下降。
11、操作开关时,施加规定以上的负荷,硅胶垫防水轻触开关将有可能被损坏。要注意留心不要在开关上施加规定以上的力。

小拨动开关的应用
1、大电流的密封型。这种开关是有限定的电流的,它的电流最多只能是5A,并且要采用密封技术,用的是环氧树脂进行密封的,这点从名字上就可以看出。它的样子有很多种,一般它的触点材料不同功能也就不一样。平时有镀银跟金两种,主要用在电器跟机械上。
2、贴片式,这种拨动开关是在表面上贴装的,要开关的话一般是侧面操作的,而且引脚是采用的贴片式,这种一般在通讯跟数字影音中见到的比较多。
3、直插式,这个名字是由它的触点形式决定的,而且它的引脚是直插式的,并且它最特别的就是它有2档、3档、4档选择,而且还附带支架,用来支撑跟固定,以及接电用的,在楼宇自动化跟电子产品中使用较多。

相关推荐