手机:13827297626
电话:13827297626
邮箱:435281082@qq.com
地址:广东省东莞市樟木头镇圩镇荔苑路7号星耀国际
发布时间:2023-05-30 点此:2505次
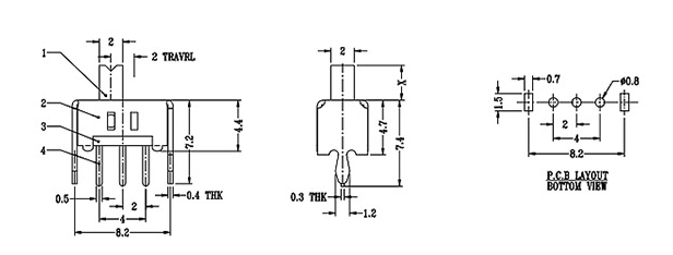
拨动开关是一种常用的电器元件,广泛应用于各种电路系统中,可以用于控制电路开关、电流频率调节等功能。在市场上,拨动开关种类繁多,每个拨动开关型号都有其特定的含义。本文将详细阐述拨动开关型号的含义,希望能为读者提供有用的信息。

拨动开关型号通常包括以下含义:
第一个位置:代表开关的类型,比如立式开关还是卧式开关。
第二个位置:代表拨动开关的个数。
第三个位置:代表开关停档的位数。
第四个字母:代表开关行程,比如C、D、E、F、G、H、I、J、K、L、N、P等,分别表示1.5、2.0、2.5、3.0、3.5、4.0、4.5、5.0、5.5、6.0、7.0、8.0等不同行程。
以SS-12D07为例,其中SK代表侧拨动式开关,12代表开关有两个档位,D代表开关行程为2.0mm,07代表立式开关。
一、拨动开关类型
拨动开关可以分为单刀、双刀、三刀等多种类型,其区别在于开关接点数目的不同。单刀拨动开关只有一个开关接点,具有单向控制功能;而双刀拨动开关则有两个开关接点,可以同时控制两个电路的开关。三刀拨动开关则具有三个开关接点,可以同时控制三个电路。同时,拨动开关还可以分为固定式和旋转式,旋转式拨动开关可以在不同角度进行控制。

二、拨动开关电流与电压
在选择拨动开关时,需要了解其电流和电压。拨动开关的最大工作电压是指其开关接点可以耐受的最大电压值,而最大工作电流则是指开关接点可以耐受的最大电流值。一旦超过这个值,开关接点会被烧毁,从而影响开关的正常功能。因此,在使用拨动开关时,一定要了解其电流和电压的参数,并按照相关的规范使用。
三、拨动开关功能
拨动开关的功能也是购买时需要了解的重要因素。常见的拨动开关功能包括单向控制、正反转控制、变速控制等。此外,拨动开关还可以根据不同的使用环境,具有防水、防尘等功能,以保证其长期稳定的工作。
四、拨动开关外观

拨动开关的外观也是购买时考虑的因素之一。不同的外观可以应对不同的使用环境和需求,例如带灯的开关可以在暗处提供光源,便于识别和使用;而带把手的开关则更容易操作,特别适用于手指关节灵活性较差的用户。
购买拨动开关时,需要了解其型号含义,包括类型、电流电压、功能和外观等方面。在使用拨动开关时,也要遵循相关规范,以确保其工作稳定。希望本文能够为读者提供有用的帮助,更好地了解拨动开关。
上一篇:解决树莓派h5py库与tensorflow冲突的有效方法
下一篇:防银迁移轻触开关
相关推荐