手机:13827297626
电话:13827297626
邮箱:435281082@qq.com
地址:广东省东莞市樟木头镇圩镇荔苑路7号星耀国际
发布时间:2019-11-22 点此:28016次
DC 插头的常用规格:
外径2.5MM 内径0.8MM 孔
外径3.5MM 内径1.3MM 孔
外径4MM 内径1.2MM 孔
外径4.8MM 内径1.7MM 孔
外径5.0MM 内径1.2MM 孔
外径5.0MM 内径2.1MM 孔
外径5.0MM 内径2.5MM 孔
外径5.5MM 内径2.1MM 孔
外径5.5MM 内径2.5MM 孔
外径5.5MM 内径3.0MM 孔
外径6.3MM 内径2.1MM 孔
外径5.0MM 内径1.2MM 针
外径6.0MM 内径1.2MM 针
外径7.0MM 内径1.2MM 针
DC插座的常用规格:
外径6.3MM 内径1.5MM 针
外径6.3MM 内径2.0MM 针
外径6.3MM 内径2.5MM 针
外径4.3MM 内径1.0MM 针
外径4.3MM 内径1.3MM 针
外径6.5MM 内径2.0MM 针
外径6.5MM 内径2.5MM 针
外径6.1MM 内径2.0MM 针
外径6.1MM 内径2.5MM 针
外径4.5MM 内径1.6MM 针
外径3.8MM 内径1.0MM 针
外径3.8MM 内径1.3MM 针
外径4.2MM 内径1.6MM 针
外径2.8MM 内径0.65MM 针
外径5.6MM 内径2.0MM 针
外径5.6MM 内径2.5MM 针
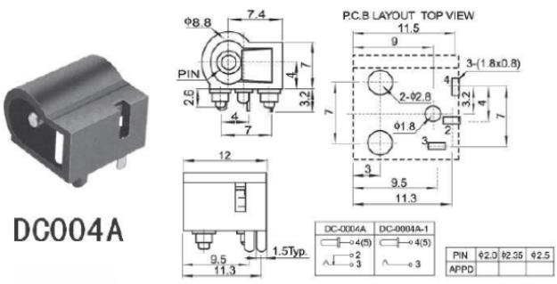
电源DC插座的pcb封装尺寸图和电路焊接图:







DC电源插座广泛的用在各种电器上面,我们常见的移动式tv显示屏,笔记本电脑等产品,都应用在这个技术,因为插座的体积也比较小,所以占用设备空间不大,不同型号的插座或者插头,相关用途和设计也是不同,有高端和输出功率的区别,同时引脚也有所不同,有些材料有特殊要求,比如防水,防锈,也可以定制。小型的DC插座设备也用在类似MP5等设备上,给一些外接的耳机提供足够的功率。