手机:13827297626
电话:13827297626
邮箱:435281082@qq.com
地址:广东省东莞市樟木头镇圩镇荔苑路7号星耀国际
发布时间:2023-03-11 点此:7327次
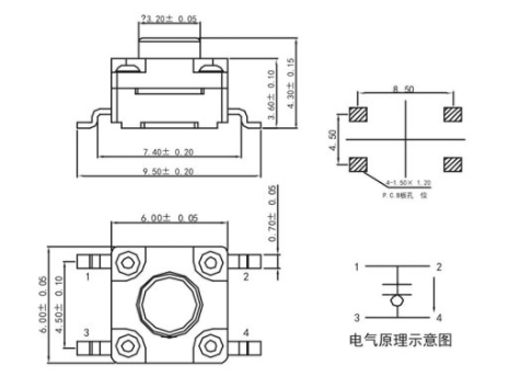
四脚轻触开关是一种常见的电子元件,被广泛应用于电子设备中的开关控制板路设计中。它的引脚图一般为4个接线柱,分别对应着开关的四个触点。其中两个是常开触点,两个则是常闭触点。原理图中,四脚轻触开关通常表示为矩形图形,中央为开关本体,四周是对应的引脚接口。四脚轻触开关的工作原理很简单,当按下开关时,开关内部的机械结构会动作,使得触点接通或断开,从而控制电路的通断。

四脚轻触开关引脚图是指这种开关在外观上有四个金属引脚。这种开关通常被用于电路中控制信号强度和方向的控制,它们的设计可以很好地支持鼠标、键盘和其它计算机设备的功能。这种开关最常见的应用是使用它们的第一个引脚连接地线,在第二和第三引脚之间连接信号电线,使用第四个引脚提供电源。这种开关在操作中非常灵敏,能够快速检测到按下的力度,使其成为控制部分信号的理想选择。

轻触开关的接线前判断
四脚触摸开关在使用过程中不能自锁,但用户只需按一次,四脚轻触开关的信号就会发生变化。如何连接触摸开关的四个角是电工的关键知识
一是将万用表调至二极管处
第二,首先测量四个脚,判断哪个针脚是导通的,哪个针脚是断的
第三,按下按钮,测量脚,判断哪个针脚是导通的,哪个针脚是断的
第四,开始断裂,按下导通的脚作为焊接的两个角。

这种四脚轻触开关引脚图的设计非常紧凑,可以在有限的空间中提供高度精确的信号控制。它们的设计还包括一系列的触发和锁定机制,以确保在按下的力度达到特定水平时,开关可以保持稳定。这种开关在滑动操作过程中非常平稳,不会产生太多的摩擦和电阻,使得它们在任何需要进行精准控制的场合下都能够表现出色。

使用这种四脚轻触开关引脚图的另一个优点是其可靠性。它们的设计非常坚固,可以承受不同强度的力量,这使得它们成为承载重要信号的动态控制装置的理想选择。它们还非常耐用,可以在极端温度和湿度条件下运行而不会损坏,这使得它们在各种艰苦和极端环境下的广泛使用成为可能。
四脚轻触开关广泛应用于控制台、便携式电子设备、家用电器等领域,可有效控制电流的通断和电器的开关状态。在电子元器件市场上,四脚轻触开关的种类繁多,不同的开关具有不同的触感效果、外形尺寸和耐久性等特点,以满足用户的需求。同时,随着电子技术的不断发展,四脚轻触开关也不断创新和改进,例如采用金属材质制作,提高了其耐用性和可靠性,使得其在电子产品的开发和制造中的应用更加广泛。
上一篇:8x8红头长柄防水轻触开关
下一篇:轻触开关的应用