手机:13827297626
电话:13827297626
邮箱:435281082@qq.com
地址:广东省东莞市樟木头镇圩镇荔苑路7号星耀国际
发布时间:2023-01-06 点此:2137次
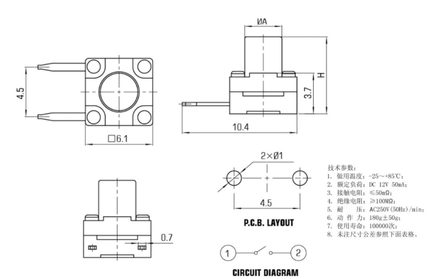
两脚轻触开关在我们的生活中十分常见,因为只有两个金属脚,所以基本支持的功能就是开启和关闭,但是这也满足快乐一些没有高要求的电子产品,帮助其节省了成本。

其实两脚轻触开关优势就是可以很牢固的焊接,但是因为焊接点只有两个,一次在平衡性和耐撞击方面可能相比其它脚多的轻触开关来说就略微逊色了,但是焊接两脚肯定比安接多脚的要快捷简单。此外,这种开关还有一个优势就是使用寿命长、精密度高、手感好、耐高温良好、同时也能做到耐低温、工作的稳定性极高等等。并且还有不同的尺寸和规格可以满足很多产品的需要,无论是高端的产品还是低端的、可有可无的玩具,都可以使用两脚的开关。虽然两个金属脚的轻触开关可以简单省心的焊接,但是缺点也是无法支持太多的功能,如果是有不同档位的电子产品,那么就需要多脚的轻触开关或是再安全多个两脚轻触开关了。

两脚轻触开关封装分为:轻触开关的封装种类有:SMT贴片封装、散装人工插件、DIP插件编带封装。
1.轻触开关smt贴片封装
轻触开关又叫按键开关,它是属于电子元件中的一种电子开关,较早是叫敏感型开关。SMT贴片封装是指四脚贴片的轻触开关加上一条载带再配上一个吸塑相同尺寸的凹槽把轻触开关封装起来叫做SMT贴片封装
2.散装人工插件轻触开关袋子封装
散装人工插件轻触开关顾名思义就是使用人工使用电烙铁焊接的一种轻触开关一般用袋子封装,优点:价格包装费用便宜,缺点是只能手工焊接工作效率低下。
3.轻触开关DIP编带封装:
DIP编带封装是指插脚轻触开关的封装方式一般是用纸皮封装,类似于电容电阻用纸制品的载带把插件叫连在一起,也可以用自动机器生产。
上一篇:判断船型开关的质量好坏
下一篇:微动开关使用寿命多长?